China Standard Cast Steel Bellows Seal Globe Ventils
Tip:Globe Ventili
Prilagođena podrška:OEM, ODM
Materijal: Ljevani čelik
Radni pritisak:PN10/PN16/PN25
Veličina:Prilagođeno napravljeno
Materijali tijela ventila: WCB, ZG1Cr18Ni9Ti, ZG1Cr18Ni12Mo2Ti, CF8(304), CF3(304L), CF8M(316), CF3M(316L), Ti
Aplikacije: Protok raznih vrsta tečnosti kao što su zrak, voda, parna, korozivna medija, blato, ulja, tečni metali i radioaktivni mediji.
Uvod u proizvod
Zašto globe ventili?
Globe Ventili se koriste za pregažavanje kontrole protoka. Treba odabrati globusni ventil kada je željeni ishod smanjenje pritiska medija u cjevovodnom sistemu. Uzorak protoka kroz globusni ventil uključuje promjene u smjeru, što rezultira većim ograničenjem protoka, i velikim padom pritiska, dok se mediji kreću kroz interne ventile.
Gašenje se postiže pomicanje diska protiv tekućine, a ne preko njega. To smanjuje wear & suze na zatvaranje. Kako se disk kreće prema potpuno zatvorenom, pritisak tekućine je ograničen na željeni pritisak potreban za cjevovodni sistem. Globe ventili, za razliku od mnogih drugih dizajna ventila, izgrađeni su za operiranje u ekstremnim uslovima uzrokovanim pri ograničavanju kretanja fluida.
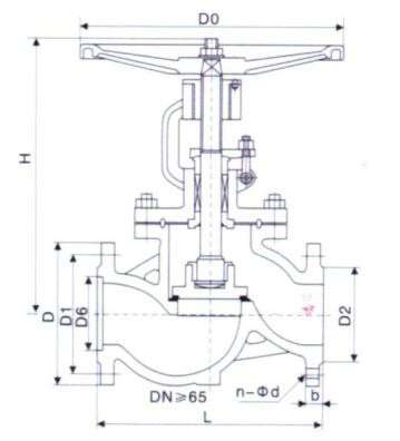
Veličina


DN | L | D | D1 | D2 | B | Onda | H | N-ΦZ |
40 | 200 | 150 | 110 | 84 | 18 | 150 | 330 | 4-18 |
50 | 230 | 165 | 125 | 99 | 20 | 150 | 350 | 4-48 |
65 | 290 | 185 | 145 | 118 | 20 | 200 | 400 | 4-18 |
80 | 310 | 200 | 160 | 132 | 20 | 200 | 430 | 8-18 |
100 | 350 | 220 | 180 | 156 | 22 | 250 | 465 | 8-18 |
125 | 400 | 250 | 210 | 184 | 22 | 250 | 505 | 8-18 |
150 | 480 | 285 | 240 | 211 | 24 | 300 | 613 | 8-22 |
200 | 600 | 340 | 295 | 266 | 24 | 420 | 714 | 12-22 |
250 | 730 | 405 | 355 | 319 | 26 | 500 | 810 | 12-26 |
300 | 850 | 460 | 410 | 370 | 28 | 670 | 910 | 12-26 |
Naša kompanija

Potvrde

Faq
1. Mogu li dobiti besplatne uzorke?
O: Da, možemo vam osigurati besplatne uzorke, ali morate snositi vlastite troškove isporuke.
2. Mogu li zatražiti promjenu oblika ambalaže i prijevoza?
O: Da, Možemo promijeniti oblik ambalaže i prijevoza prema vašem zahtjevu, ali morate snositi vlastite troškove koji su nastati u ovom periodu i širenja.
3. Mogu li zatražiti da unaprijedim pošiljku?
O: To bi trebalo da zavisi od toga da li ima dovoljno inventara u našem skladištu.
4. Mogu li imati svoj Logo na proizvodu?
O: Da, možete nam poslati svoj crtež i možemo napraviti vaš logo, ali morate snositi svoje troškove.
5. Možete li proizvoditi proizvode prema mojim vlastitim crtežima?
O: Da, možemo proizvoditi proizvode prema vašim crtežima koji će vas najviše zadovoljiti.
6. Koji su tvoji uslovi plaćanja?
O: T/T, L/C , Alibaba Trade Assurance dostupno, puna zaštita za vaše narudžbe.
7.Do li prihvatiti prilagođeni dizajn na veličini?
O: Da, ako je veličina razumna
8.Transport
Preveo DHL, UPS, EMS, Fedex, SF, by Air, by Sea.
Moglo bi vam se i svidjeti
-

Prijenosni električni kotao na parni generator
-

Horizontalni biomasa pelet drvo sagorijevanja parni generator
-

LDR vertikalni električni parni kotao za grijanje
-

Prijenosni mini električni parni kotao od 70 kg
-

Komercijalni Hotel Grijanje Električno Vodo Kotao Domaći Kotao
-

Električni generator parnog kotla od 200 kg



